Робототехника и автоматизация
1. Высокая скорость резки — в два раза выше, чем у конкурирующих изделий.
2. Чрезвычайная точность резки. Точность повторного позиционирования системы составляет до 100 мкм.
3. Может вырезать круг диаметром 2 мм без явных заусенцев или отклонений в эффекте резки. Время резки одного маленького круга можно сократить менее чем за две секунды.
4. Рука манипулятора длиной 2,01 метра не является обязательной.
Робототехника и автоматизация:
Станок для трехмерной волоконной лазерной резки, который относится к робототехнике и технике автоматизации, таким как unimate robot, шарнирный робот, производство роботов, состоит из специального волоконного лазера режущая головка, высокоточная емкостная система слежения, волоконный лазер и промышленная роботизированная система, различная толщина металлической пластины, многоугольное, многоазимутальное гибкое режущее оборудование. Оборудование для лазерной резки 3D-роботов широко используется в металлообработке, машиностроении и производстве автозапчастей, а также в других производствах, требующих обработки 3D-заготовок.
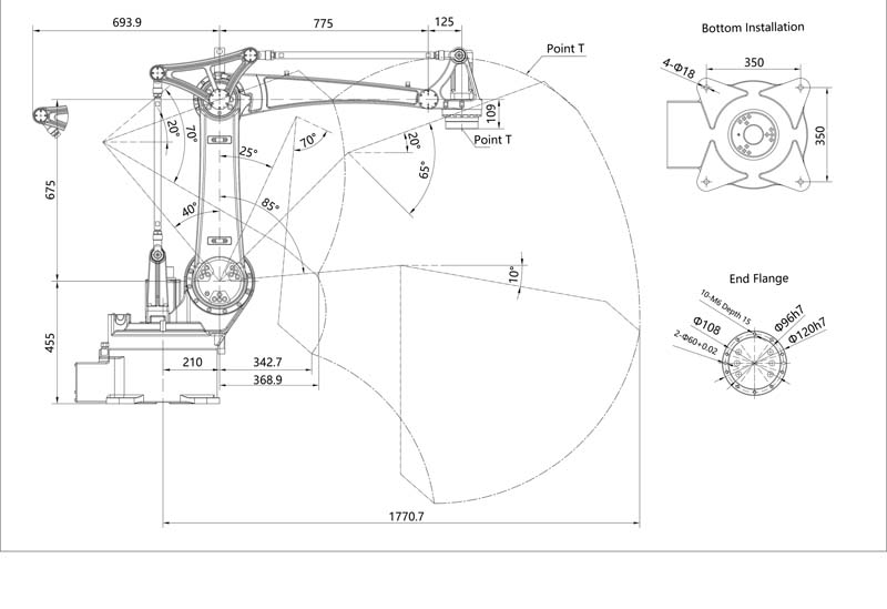
Параметр:
Имя |
Робототехника и автоматизация |
|||||
Тип |
Вертикальный шов 6 градусов |
|||||
Главная цель |
сварка |
|||||
Спецификация |
БР20иА-18 |
|||||
Максимальный вес груза |
6 кг |
|||||
Повторяемость положения |
0,08 мм |
|||||
Емкость батареи |
3кВА |
|||||
Вес тела |
200 кг |
|||||
Максимальный охват |
1945мм |
|||||
Условия |
0-45°C, относительная влажность 20-80% (без конденсации) |
|||||
Класс защиты |
Эквивалент IP65 |
|||||
Монтаж |
Заземление, монтаж со стороны подъема |
|||||
базовый ось |
J1 |
±175° |
Макс скорость |
базовый ось |
J1 |
172,1°/с |
J2 |
+85° -150° |
J2 |
138,8°/с |
|||
J3 |
+80° |
J3 |
259,3°/с |
|||
рука ось |
J4 |
±150° |
рука ось |
J4 |
294,1°/с |
|
J5 |
+130° -105° |
J5 |
294,1°/с |
|||
J6 |
±220° |
J6 |
426,7°/с |
|||
Подробности:
Функции:
Его огромная степень гибкости в основном проявляется двумя способами:
1, сильная адаптируемость к материалу, станок для лазерной резки с помощью программы числового управления может в основном разрезать любую пластину.
2, путь обработки контролируется программой, если объект обработки изменяется, вам нужно только изменить программу, что особенно очевидно, когда детали обрезаются и вырезаются отверстия.
Приложения:
Он широко используется в автомобильной и мотоциклетной промышленности, в том числе в области электрических велосипедов и шлемов: например, для вырезания отверстий, обрезки краев деталей покрытия кузова, вырезания отверстий в рулевом колесе, ветрового стекла кузова, отверстий для кронштейнов крышек, деталей подушек безопасности, деталей гидравлической формовки, и т. д. Трехмерная лазерная резка также очень полезна при обработке сборки кузова, такой как открытая багажная полка с фиксированным отверстием, отверстие для направляющей верхней крышки, отверстие для установки антенны, изменение формы крыла колеса и т. д.
Послепродажное обслуживание:
1,12 месяца для основных частей (двигатель, ось, корпус и балка и т. д.).
Круглосуточная техническая поддержка по телефону, WhatsApp или электронной почте.
3, пожизненные поддержки частей.
4, инженер доступный сервис за рубежом.
Упаковка и доставка:
Обычно мы используем навалочные грузы, плоские стеллажи, контейнеры и суда ро-ро для доставки.
В зависимости от того, сколько вещей есть, мы организуем наиболее доступный вид транспорта.
Перед отправкой все прицепы проходят восковую полировку. Каждая продажа, которую мы закрываем, направлена на 100% удовлетворенность клиентов.
Срок поставки: 10–20 рабочих дней после подтверждения получения оплаты (в зависимости от фактического количества).
Упаковка: Доступна стандартная экспортная упаковка, а также индивидуальная упаковка по запросу.
Профессиональный экспедитор грузов.
Производственный процесс:
Сертификаты:
Визит клиента:
Партнер по сотрудничеству:
Выставка:
Больше продуктов:
















