Роботизированный сварочный аппарат MIG
С развитием электронных технологий, компьютерных технологий, числового программного управления и робототехники, автоматических сварочных роботов их технология становится все более зрелой, в основном имеет следующие преимущества:
1) Стабилизация и улучшение характеристик сварки, которые можно количественно оценить;
2) Увеличение производительности труда;
3) повысить интенсивность производительности труда рабочих, чтобы они могли работать во вредных условиях;
4) Снижена планка требований к операционной компетентности сотрудников;
5) Сократите период подготовки к преобразованию и замене продукта и сократите соответствующие инвестиции в оборудование.
Роботизированный сварочный аппарат MIG:
Robotic Mig Welding Machine занимается сваркой (включая резку и напыление) промышленных роботов. Согласно определению промышленного робота, относящегося к стандартному сварочному роботу , принятому Международной организацией по стандартизации (ISO), промышленный кобот-сварочный робот представляет собой многоцелевой перепрограммируемый манипулятор с автоматическим управлением с тремя или более программируемыми осями для использования в области промышленной автоматизации. Для различных целей механический интерфейс последнего вала робота, обычно соединительный фланец, может быть приспособлен к различным инструментам или рабочим органам. Сварочный робот устанавливается на последнем фланце вала промышленных роботов, сварочных клещей или сварочного (режущего) пистолета, так что это может быть сварка, резка или термическое напыление. Робот для автоматизации сварки в основном состоит из двух частей робота и сварочного оборудования.
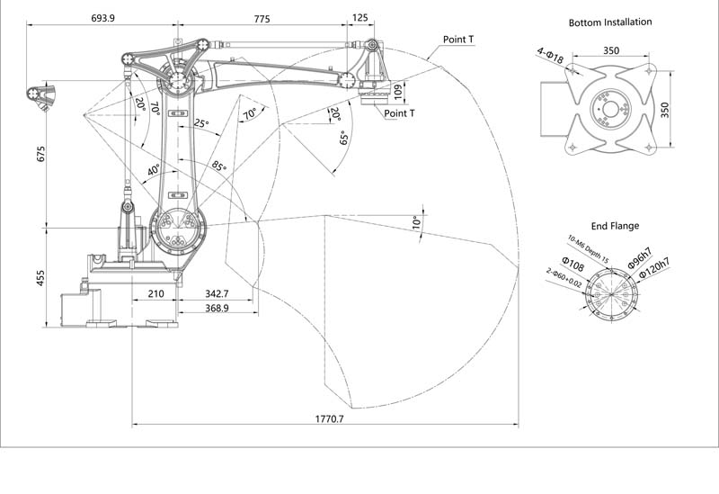
Параметр:
Модель |
ПИ10-1440 |
|
Ось |
6 осей |
|
Досягаемость (мм) |
1440 |
|
Максимальная полезная нагрузка |
10 кг |
|
Класс защиты |
IP67 |
|
Тип крепления |
Тип пола/тип кронштейна |
|
Мощность |
4,5 кВА |
|
Входной/выходной сигнал |
24 В постоянного тока |
|
Напряжение |
350А/500А |
|
Вес робота |
176 кг |
|
Повторяемость |
±0,05 мм |
|
Диапазон движения |
J1 |
±160° |
J2 |
+80°~-145° |
|
J3 |
+140°~-75° |
|
J4 |
±190° |
|
J5 |
+50°~-210° |
|
J6 |
±360° |
|
Скорость движения |
J1 |
199,5°/с |
J2 |
159,3°/с |
|
J3 |
199,5/с |
|
J4 |
392°/с |
|
J5 |
272°/с |
|
J6 |
1000°/с |
|
Подробности:
Функции:
Унифицированность В дополнение к специально разработанным специальным промышленным роботам общепромышленные роботы обладают большей унифицированностью при выполнении различных рабочих задач. Например, смена ручных операторов (клешней, инструментов и т. д.) промышленных роботов может выполнять различные рабочие задачи.
Гибкий запуск — это следующий шаг в развитии программируемой автоматизации производства. Промышленные роботы могут быть перепрограммированы в соответствии с меняющимися потребностями их рабочей среды, поэтому они могут играть важную роль в гибком производственном процессе небольших партий и разнообразии с сбалансированы и эффективны и являются важной частью гибкой производственной системы.
Антропоморфные промышленные роботы имеют сходную походку, вращение талии, большую руку, предплечье, запястье, коготь и другие части механической конструкции, а управление ими осуществляется с помощью компьютеров. , включая языковые возможности, датчики силы, датчики нагрузки, датчики зрения и датчики звука. Датчики улучшают способность промышленных роботов адаптироваться к окружающей среде.
Приложения:
Автомобили
Мотоциклы
Строительная техника
Металлургия
Послепродажное обслуживание:
12 месяцев для основных деталей (двигатель, ось, кузов и балка и т. д.).
Техническая поддержка по телефону WhatsApp или электронной почте круглосуточно.
Поддержка запасных частей на всю жизнь.
Инженер доступный сервис за рубежом.
Упаковка и доставка:
Обычно мы используем навалочные грузы, плоские стеллажи, контейнеры и суда ро-ро для доставки.
Мы организуем наиболее экономичный способ транспортировки в зависимости от количества продукции.
Перед отправкой все прицепы проходят восковую полировку. Каждая продажа, которую мы закрываем, направлена на 100% удовлетворенность клиентов.
Срок поставки: 10–20 рабочих дней после подтверждения получения оплаты (в зависимости от фактического количества).
Доступна стандартная экспортная упаковка, а также индивидуальная упаковка по запросу.
Профессиональный экспедитор грузов.
Конвейер:
Сертификаты:
Визит клиента:
Партнер по сотрудничеству:
Выставка:
Больше продуктов:
















