информация о продукте
Роботы точечной сварки,Решения в области промышленной автоматизации и робототехники в нашей компании позволяют сэкономить 92% затрат.пилотируемого патруля.Пожалуйста, свяжитесь с нами для получения подробных технических параметров,являются одними из самых популярных форм промышленных роботов, которые преобразуют обрабатывающую промышленность во всем мире.
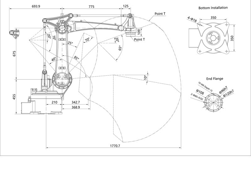
Параметр:
Подробности:
Профили компании:
Упаковка и доставка:
Производственный процесс:
Сертификаты:
Посещение клиента:
Партнер по сотрудничеству:
Выставка:
Больше продуктов:
Оставляйте свои сообщения



















